Т. Самостоятельный разряд
Несамостоятельный и самостоятельный разряды в газах
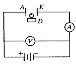
Соберем электрическую цепь, содержащую источник тока, вольтметр V, амперметр A и две металлические пластины, разделенные воздушным промежутком (рис. 1).
Если поместить вблизи воздушного промежутка ионизатор D, то в цепи возникнет электрический ток. исчезающий с прекращением действия ионизатора. Рекомбинация ионов происходит и во время действия ионизатора, но при этом наступает динамическое равновесие между возникающими и рекомбинирующими ионами, когда число пар ионов в единице объема не изменяется.
Электрический ток в газе с несамостоятельной проводимостью называется несамостоятельным газовым разрядом.
График зависимости силы разрядного тока от разности потенциалов (напряжения) между электродами при неизменной интенсивности ионизатора — вольт-амперная характеристика газового разряда — приведен на рисунке 2. Интенсивность ионизации измеряется количеством ионов, возникших под действием ионизатора в единице объема пара за единицу времени. На графике можно выделить несколько характерных областей.
На участке 0a соблюдается закон Ома, затем пропорциональность нарушается (участок ab), и начиная с Uн сила тока не изменяется. Наибольшую силу тока, возможную при действии данного ионизатора, называют током насыщения Iнас. При токе насыщения все возникающие ионы долетают до электродов, не успев рекомбинировать. Значение силы тока насыщения определяется свойствами ионизатора. Для увеличения Iнас нужно увеличить интенсивность ионизации.
Рассмотрим участок cd. При достаточно больших напряжениях кинетическая энергия электрона возрастает настолько, что при его соударении с нейтральной молекулой газа от нее отщепляется внешний электрон. Это явление называется ударной ионизацией молекул газа. Разность потенциалов, которую должен пройти электрон в ускоряющем электрическом поле для того, чтобы приобрести достаточную для работы ионизации энергию, называют потенциалом ионизации. Освободившиеся электроны ускоряются в электрическом поле и в свою очередь ионизируют сталкивающиеся с ними нейтральные молекулы газа. Число электронов и ионов в газе лавинообразно растет, а вместе с ним растет и разрядный ток. При еще больших значениях напряжения ударную ионизацию вызывают и ионы. Теперь к обоим электродам движутся лавины: к катоду — положительная ионная, к аноду — электронная. Эти лавины обусловливают самостоятельную проводимость газа. Участок cd графика характеризует самостоятельный газовый разряд, который может существовать без внешнего ионизатора. Непрерывная убыль носителей тока, происходящая вследствие нейтрализации ионов у электродов, поглощения электронов анодом и рекомбинации ионов, восполняется в этом случае за счет электрического поля, а не за счет ионизатора.
При всяком самостоятельном разряде имеет место ионизация газа электронными ударами, но наличие только ионизации электронным ударом еще не приводит к самостоятельному разряду. Для существования самостоятельного разряда необходимо, чтобы в газе происходили и другие процессы, производящие новые электроны взамен ушедших на анод. Такими процессами могут быть вторичная эмиссия электронов с катода (выбивание электронов из катода разогнанными в электрическом поле положительными ионами), ионизация ионами и внутренняя фотоионизация (излучение, сопровождающее рекомбинацию ионов, может быть поглощено нейтральными атомами, в результате чего некоторые из них ионизируются).
Литература
Аксенович Л. А. Физика в средней школе: Теория. Задания. Тесты: Учеб. пособие для учреждений, обеспечивающих получение общ. сред, образования / Л. А. Аксенович, Н.Н.Ракина, К. С. Фарино; Под ред. К. С. Фарино. — Мн.: Адукацыя i выхаванне, 2004. — C. 288-289.


