Uch Передача электроэнергии
Передача и распределение электрической энергии
Потребители электроэнергии имеются повсюду. Производится же она преимущественно в местах, близких к источникам топливо- и гидроресурсов. Электроэнергию не удается консервировать в больших количествах, поэтому возникает необходимость в передаче ее на большие расстояния.
Передача электроэнергии связана с заметными потерями, так как электрический ток нагревает провода линий электропередачи (ЛЭП). Рассчитаем электрическую мощность, теряемую в проводах ЛЭП.
Мощность, передаваемая по линии трехфазного тока при симметричной нагрузке фаз (см. § 3.7),
где I и U — действующие значения линейного напряжения и линейной силы тока, а φ — угол сдвига фаз между фазным напряжением и силой тока.
Мощность, теряемая в проводах,
или
Здесь ρ — удельное сопротивление материала проводов, l — их длина, S — площадь поперечного сечения.
Анализируя выражение (3.11.3), можно отыскать пути уменьшения теряемой мощности. Передаваемая мощность Ρ и дальность передачи энергии l определяются условиями электропередачи. Эти величины изменить невозможно. Удельное сопротивление ρ зависит от материала, из которого изготовлены провода. На практике используются преимущественно материалы с наименьшим значением ρ (медь, алюминий). Увеличение площади поперечного сечения проводов малоэффективно; значительное их утолщение невозможно из-за большой массы и стоимости линии. Поэтому остаются два пути уменьшения потерь электрической энергии: увеличение напряжения в линии электропередачи и повышение коэффициента мощности потребителя.
Когда коэффициент мощности cos φ мал, значительная часть энергии циркулирует по проводам от генератора к потребителям и обратно, что приводит к значительным потерям на нагревание проводов. При таком сравнительно высоком коэффициенте мощности, как cos φ = 0,8, потери в линии электропередачи, как видно из формулы (3.11.3), примерно в полтора раза больше, чем в случае, когда cos φ = 1. При современных масштабах передачи энергии повышение значения cos φ с 0,8 до 0,9 дало бы огромную экономию мощности, равную мощности нескольких крупных электростанций. Следовательно, борьба за высокий коэффициент мощности имеет народнохозяйственное значение.
Однако главный путь уменьшения потерь мощности в проводах ЛЭП — это повышение напряжения в линии передачи. Причем чем длиннее линия электропередачи, тем выгоднее использовать более высокое напряжение. Так, например, в городах электроэнергию при напряжении 220 В передают на расстояние не более 200 м, а при напряжении 6 кВ — на расстояние до 5 км. В высоковольтной ЛЭП Волжская ГЭС — Москва используют напряжение 500 кВ.
Между тем генераторы, устанавливаемые на электростанциях, рассчитаны на напряжение, не превышающее 16-20 кВ. Более высокое напряжение потребовало бы принятия сложных специальных мер для изоляции обмоток и других частей генератора.
Поэтому при передаче энергии от мощных электростанций электрический ток по шинам поступает на трансформаторные повышающие подстанции. Они состоят из силовых трансформаторов, располагаемых обычно на открытом воздухе недалеко от генераторов, распределительного устройства и щита управления. После повышения напряжения на подстанции до 35, 110, 220, 500, 750 кВ энергия направляется в район потребителя на понижающие подстанции, где напряжение понижается до 6-10 кВ.
Высоковольтные линии электропередачи (ЛЭП) — это в основном «воздушные» линии. Их делают из голых алюминиевых, сталеалюминиевых или медных проводов, укрепленных на гирляндах изоляторов, которые подвешиваются на металлических и железобетонных опорах. Расстояние между проводами выбирается с таким расчетом, чтобы была исключена возможность пробоя воздушного промежутка между проводами при раскачивании их ветром. По вершинам опор прокладываются заземленные стальные оцинкованные тросы. Они предназначены для предохранения линии от атмосферного электричества. Трос, расположенный над проводами, воспринимает на себя атмосферные электрические разряды и отводит электрические заряды в землю.
С понижающих подстанций по сети с напряжением 6-10 кВ энергия частично направляется к высоковольтным потребителям, частично на понижающие подстанции, где напряжение понижается до 220-380 В. Далее по сети с напряжением 220 и 380 В она подводится к потребителям.
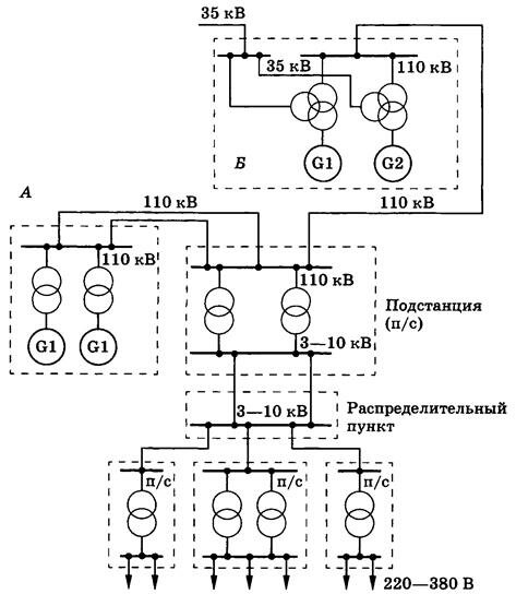
На рисунке 1 представлена одна из возможных схем передачи и распределения электроэнергии от двух соединенных между собой электростанций (А и Б). Схема показана однолинейной, т. е. все три фазы линии передачи изображены одной линией. Часто понижение напряжения происходит в несколько этапов. На каждом этапе напряжение становится меньше, а охватываемая электрической сетью территория — шире.
При очень высоком напряжении между проводами начинается коронный разряд, приводящий к потерям энергии. Потери энергии на разряд могут превысить потери на нагревание. Кроме того, при высоком напряжении резко возрастают требования к изолирующим приспособлениям ЛЭП, что усложняет и удорожает ее. Все это сдерживает строительство ЛЭП сверхвысоких напряжений.
Для уменьшения потерь на коронный разряд при высоких напряжениях (500-750 кВ) каждый провод (каждая фаза) расщепляется на три отдельных провода (рис. 2). Расщепление проводов уменьшает также их индуктивное сопротивление (увеличивается cos φ линии), что приводит к увеличению пропускной способности линии передачи.
Передача электроэнергии постоянным током
Наиболее перспективным способом передачи электроэнергии на дальние расстояния является использование постоянного тока. Линии электропередачи постоянного тока позволяют передавать по тем же проводам большую энергию, так как постоянное напряжение между проводами можно сделать равным допустимому амплитудному напряжению линии переменного тока. Кроме того, при передаче электроэнергии постоянным током исчезают затруднения, связанные с индуктивным сопротивлением и емкостью линии. Это особенно существенно при передаче электроэнергии на большие расстояния.
При передаче электроэнергии постоянным током вырабатываемое генераторами электростанции переменное напряжение предварительно повышают с помощью трансформаторов, а затем с помощью выпрямителей преобразуют в постоянное напряжение. В конце линии электропередачи постоянное напряжение снова преобразуют в переменное с помощью устройств, называемых инверторами, после чего с помощью трансформаторов его понижают до нужного значения. Трудности, связанные с преобразованием постоянного тока в переменный и обратно, успешно преодолеваются.
Энергосистемы
Электрические станции ряда районов страны объединены высоковольтными линиями передач, образуя общую электрическую сеть, к которой присоединены потребители. Такое объединение, называемое энергосистемой, дает возможность сгладить «пиковые» нагрузки потребления энергии в утренние и вечерние часы. Энергосистема обеспечивает бесперебойность подачи энергии потребителям вне зависимости от места их расположения. Сейчас почти вся территория России обеспечивается электроэнергией объединенными энергетическими системами.
Литература
Мякишев Г.Я., Синяков А.З. Физика: Колебания и волны. 11 кл.: Учеб. для углубленного изучения физики. — М.: Дрофа, 2002. — С. 144-148.


